Érdekes összehasonlítás a földgáz, a biomassza és a földhő; a táv- és az egyedi fűtés között, számításokkal.
Az energiaellátás rendszere:

A távfűtés fejlesztése
Fogyasztói energiatakarékosság:
– Fogyasztói hőigények csökkennek
Hatékonyságnövelés:
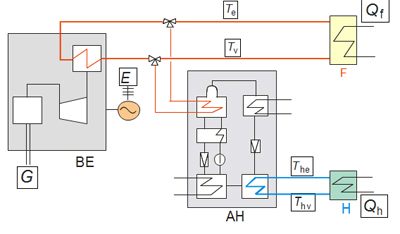
– Kapcsolt energiatermelés
– Hőszivattyúzás
Optimális energiastruktúra:
– Biomassza, földhő, földgáz-kiváltás
A biomassza-hasznosítás lehetőségei:

A földhő-hasznosítás lehetőségei:

A biomassza ára, Ft/GJ:

Tájékoztató energiaárak:

Egyedi gázfűtés helyett egyedi biomassza-fűtés:

Egyedi biomassza-fűtés helyett biomassza-távfűtés:

Gázfűtés (egyedi/távhő) helyett biomassza távfűtés:

Földgáz és biomassza kapcsolt hőtermelés energiamegtakarítása:

Biomassza távfűtésben kapcsolt villamosenergia-termelés:

Kisteljesítményű biomassza fűtőerőmű-egységek jellemzői:

Hőigény-csökkenés és a kapcsolt energiatermelés:

Alacsony hőmérsékletszint, állandó hőmérséklet, hőtároló:

Trigeneráció: biomassza-erőmű + abszorpciós hűtőgép:

Gazdasági, társadalmi hatások
Áttörés kell a bioenergetikában.
Tömeges alkalmazás, nemzeti stratégia.
Hőfogyasztói érdek és tulajdon, szövetkezés, támogatás.
Hazai gyártás, munkahelyteremtés.
Falufűtés és vidékfejlesztés.
Földgáz-kiváltás, energiafüggőség csökkenése.
A MATÁSzSz Távhőszolgáltatási Konferenciáján elhangzott előadás alapján.
Dr. Büki Gergely
Szóljon hozzá
A hozzászóláshoz be kell jelentkezni.
2 hozzászólás
A távfűtés jövője, a passzívház, a többi gazdasági hatalommal való visszaélés.
Ahogy jönnek a passzívházak, úgy nincs értelme távfűtésről beszélni.