Címke: Légellátási terv

Ablakcserével kapcsolatos kérdések megválaszolása

Ismét egy olvasói levélre adunk nyilvános választ, ezúttal a nyílászárócsere körülményeiről és menetéről kértek tőlünk felvilágostást.

A nyílászárócsere megvalósításának lépései

Azzal kapcsolatban szeretném a segítségüket kérni, hogy egy társasházi, gáz fűtéses lakás ősrégi, fa ablakainak műanyagra történő cseréjének mi a szabályszerű menete. Sajnos nem találtam erre vonatkozóan hiteles és átlátható tájékoztatást, ezért fordulok most Önökhöz.

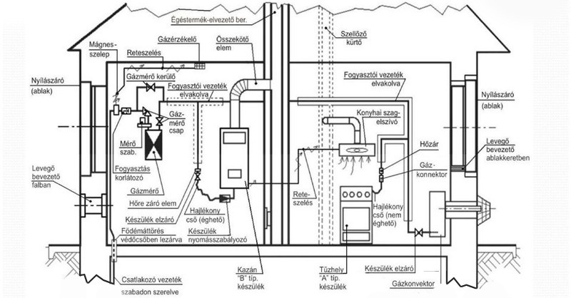
Reakció a levegőellátással és a kéményvizsgálat módszerével kapcsolatos kérdésekre

Az e-gépész 2018/20. számában egy olvasói levelet adtunk közre, amelyben a kérdező egy kéményseprő ellenőrzés kapcsán fogalmazta meg a kérdéseit. A levélre számos épületgépész kolléga reagált, hasznos hozzászólások érkeztek – alábbiakban az Épületgépészeti Tagozat részéről fogalmazzuk meg válaszunkat.

Olvasói kérdés a légellátási tervvel kapcsolatban

Tegnap a kéményseprők ellenőrzést tartottak nálunk (társasház) és felvették hibának, hogy nem megfelelő a szellőzés/légellátás, ezért légellátási tervet kell készíttetnünk 2 éven belül, mert akkor újra ellenőriznek és ha nincs kész, akkor lezárják a kéményt… Ez több kérdést is felvet bennem, ebben kérném a hozzáértők segítését!